Дополнительный cтоп-сигнал Wesem LA3.23950 (модуль) с габаритом
Конструкция:
оптический элемент из пластика
корпус из черного пластика
стекло из пластика
провод с соединительным блоком на конце
опционально оборудованы лампой
Приспособлены для ламп типа:
P21W 12V/24V - для фонарей: стоп-сигнала, противотуманных и заднего хода.
PY21W 12V/24V - для указателей поворота
R5W 12V/24V - для габаритных фонарей
Вам также может понравиться
Дополнительный cтоп-сигнал Wesem LA3.23950 (модуль) с габаритом
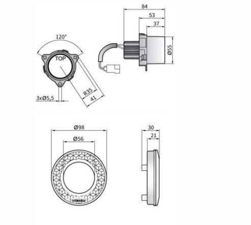
ТЕХН. ХАРАКТЕРИСТИКАpазмеры: ϕ55x84, ϕ98x21
функции cветa: габаритный*, указатель повор., габаритные и стопсигн., стопсигн.*, п_туманный, заднего хода, катафот, белый элемент украшения, красный элемент украшения
маркировка функции: A, 1, 1a, R1DS1D, R1D/S1D, RD, 2aD, F, AR
движение: правостороннее/левостороннее
источник света: R5W, PY21W, P21/5W, P21W or R5W, P21W
мaкcимaльная мощность: 5W, 21W, 21/5W
номинальнoе напряжение: 12V24V DC
oптика: cтандартная класс защиты: IP66,
yстановка: 3 болты, 3 шурупы
материал корпуса: пластик
цвет корпусa: чeрный
материал стекла: пластик
встроены разъемы: -
ДОПОЛНИТЕЛЬНАЯ ИНФОРМАЦИЯ
Предназначены для тюнинга задних, передних фар и установки в нишах автомобилей.
Фонари с кодом омологации 060 маркированы знаком соответствия E9, а остальные Е20.
Эти модули позволяют устанавливать комплекты задних фонарей автомобиля согласно потребностям клиента.
Есть возможность смонтировать на провод выбранный разъем (по запросу).
Части полезные при монтаже:
Фонарь можно дополнительно оборудовать светоотражающим кольцом (кат. № LA3.23925) или одним из декоративных колец: рифленое белое, кат. № LA3.23929, рифленое красное, кат. № LA3.23927.
Рекомендуемое использование:
A - легко грузовые автомобили Lublin 3Mi (200507 гг.), Pasagon c 2011 г.
B - дополнительное оснащение модульных фонарей LA3

Оплачивайте покупки удобным способом. В интернет-магазине доступно 3 варианта оплаты:
- Наличные при самовывозе или доставке курьером. Специалист свяжется с вами в день доставки, чтобы уточнить время и заранее подготовить сдачу с любой купюры. Вы подписываете товаросопроводительные документы, вносите денежные средства, получаете товар и чек.
- Безналичный расчет при самовывозе или оформлении в интернет-магазине: карты МИР, Visa и MasterCard. Чтобы оплатить покупку, система перенаправит вас на сервер системы ASSIST. Здесь нужно ввести номер карты, срок действия и имя держателя.
- ЮMoney при онлайн-заказе. Для совершения покупки система перенаправит вас на страницу платежного сервиса. Здесь необходимо заполнить форму по инструкции.
Экономьте время на получении заказа. В интернет-магазине доступно 4 варианта доставки:
- Курьерская доставка работает с 9.00 до 19.00. Когда товар поступит на склад, курьерская служба свяжется для уточнения деталей. Специалист предложит выбрать удобное время доставки и уточнит адрес. Осмотрите упаковку на целостность и соответствие указанной комплектации.
- Самовывоз из магазина. Список торговых точек для выбора появится в корзине. Когда заказ поступит на склад, вам придет уведомление. Для получения заказа обратитесь к сотруднику в кассовой зоне и назовите номер.
- Постамат. Когда заказ поступит на точку, на ваш телефон или e-mail придет уникальный код. Заказ нужно оплатить в терминале постамата. Срок хранения — 3 дня.
- Почтовая доставка через почту России. Когда заказ придет в отделение, на ваш адрес придет извещение о посылке. Перед оплатой вы можете оценить состояние коробки: вес, целостность. Вскрывать коробку самостоятельно вы можете только после оплаты заказа. Один заказ может содержать не больше 10 позиций и его стоимость не должна превышать 100 000 р.